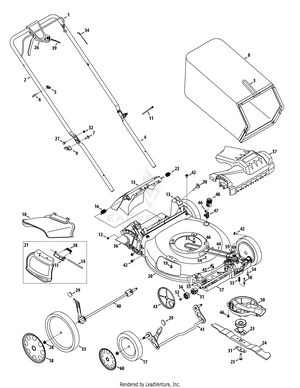
Troy bilt clearance tb360 parts View larger
  • Troy bilt parts warehouse top
  • NEW REPL MTD CUB CADET 42 DECK BELT 754 04060B 954 04060B 754 04060 954 04060 eBay
  • Troy bilt parts warehouse top
  • Troy Bilt TB220 12AVB22J766 2015 Self Propelled Mower Partswarehouse
  • Troy Bilt 170 T0A OHV Engine Partswarehouse

Troy bilt parts warehouse top

Troy bilt parts warehouse top, Troy bilt clearance tb360 parts top

$108.00

SAVE 50% OFF

$54.00

- +

Add to wishlist


Frasers Plus

$0 today, followed by 3 monthly payments of $18.00, interest free. Read More


Troy bilt parts warehouse top

Troy bilt clearance tb360 parts

Amazon Lawn Mower Parts Warehouse

NEW REPL MTD CUB CADET 42 DECK BELT 754 04060B 954 04060B 754 04060 954 04060 eBay

Replacement Parts Service Troy Bilt US

Troy Bilt TB220 12AVB22J766 2015 Self Propelled Mower Partswarehouse

Troy Bilt 170 T0A OHV Engine Partswarehouse

Description

Product Name: Troy bilt parts warehouse top
Troy Bilt TB220 12AVB22J766 2015 Self Propelled Mower Partswarehouse top, Troy Bilt 170 T0A OHV Engine Partswarehouse top, Troy Bilt 13AP609G063 LTX1842 2003 Lawn Tractor Partswarehouse top, Troy Bilt TB75SS 41CDT75C063 Gas Trimmer Partswarehouse top, MTD Troy Bilt Parts. Power Equipment Warehouse top, Troy Bilt PRO 220 5hp 22 Push S N 832492 837975 Walk Behind Mower Partswarehouse top, Troy Bilt RR5000 490 851 Y011 Pruner Partswarehouse top, Brand Troy Bilt Shank s Lawn Equipment Chambersburg Pennsylvania top, Troy Bilt 28 in. 223cc Gas Walk Behind Self Propelled Lawn Mower with High Rear Wheels 3 in 1 Cutting TriAction Cutting System TBWC 28B The Home Depot top, Troy Bilt Pony 42 in. 15.5 HP Briggs and Stratton 7 Speed Manual Drive Gas Front Engine Riding Lawn Tractor Pony 42 top, Troy Bilt 13096 13.5hp Hydrostatic LTX Tractor S N 130960100101 Lawn Tractor Partswarehouse top, Replacement Parts Service Troy Bilt US top, Replacement Parts Service Troy Bilt US top, MTD Genuine Factory Parts Original Equipment 36 in. Double Bagger for Troy Bilt and Craftsman Lawn Mowers 2020 and After 19A30045OEM The Home Depot top, Troy bilt clearance tb360 parts top, Troy Bilt 13AP609G063 LTX1842 2003 Lawn Tractor Partswarehouse top, 33032 Troy Bilt Remington MTD Fixed Head Insert top, Small Engine Parts Warehouse Brands top, Troy Bilt 13A277KS066 TB42 7 Speed 2015 Lawn Tractor Partswarehouse top, NEW MTD CUB CADET TROY BILT WHITE 746 0876 946 0876 THROTTLE LEVER eBay top, Troy Bilt 34023 5HP 21 VAR. SPEED S.P. Parts Diagrams top, Troy Bilt Lawn Mowers Snow Blowers Tillers and More top, Troy bilt clearance tb360 parts top, Troy Bilt Original Equipment 3 in 1 Blade for Troy Bilt 21 in. Walk Behind Mowers with Bow Tie Center Hole OE 942 0741 742 0741 490 100 Y084 The Home Depot top, PartsWarehouse top, OEM TROYBILT MTD Bagger Chute Strap 923 0383 for sale online eBay top, Troy Bilt TB2044XP 41BDZ2PC766 41BDZ2PC766 TB2044 XP Parts Diagram for General Assembly top, Troy Bilt 30 36 38 42 and 46 In. Drive Belt for 6 7 Speed Lawn Tractors and Mini Riders Kenyon Noble Lumber Hardware top, Troy Bilt Original Equipment Lower Transmission Belt for Select Troy Bilt Riding Lawn Mowers OE 954 04249 754 04249 490 501 Y006 The Home Depot top, Troy Bilt 12AI867Q011 2008 Self Propelled Mower Partswarehouse top, Shop for Troy Bilt Mower Parts At Tractor Supply Co top, Troy bilt clearance tb360 parts top, Amazon Lawn Mower Parts Warehouse top, NEW REPL MTD CUB CADET 42 DECK BELT 754 04060B 954 04060B 754 04060 954 04060 eBay top, Replacement Parts Service Troy Bilt US top.

Troy bilt parts warehouse top