Honda 12avd6rq719 Black Max 21 160cc Rear Wheel Self propelled Drive Mower for sale online eBay View larger
  • 12avc2rq719 top
  • Blackmax 21 Inch Self Propelled Mower
  • 12avc2rq719 top
  • MTD 12AVC2RQ719 2019 Drive
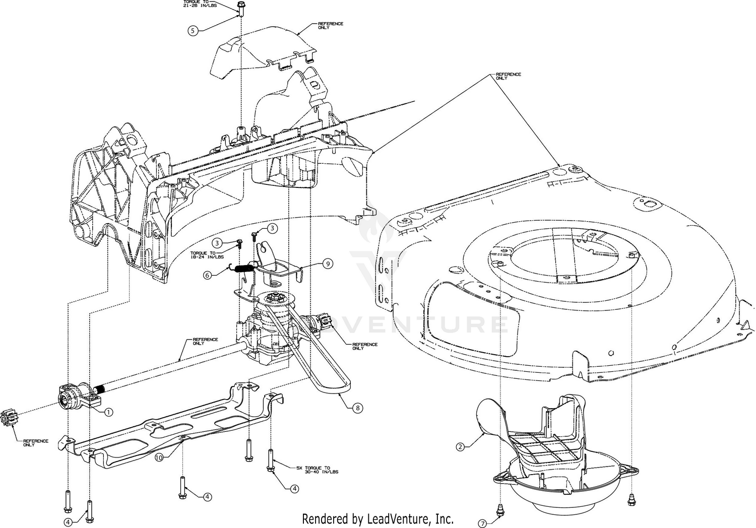
  • MTD 12AVC2RQ719 2019 Parts Diagram for Blade

12avc2rq719 top

12avc2rq719 top, Honda 12avd6rq719 Black Max 21 160cc Rear Wheel Self propelled Drive Mower for sale online eBay top

$90.00

SAVE 50% OFF

$45.00

- +

Add to wishlist


Frasers Plus

$0 today, followed by 3 monthly payments of $15.00, interest free. Read More


12avc2rq719 top

Honda 12avd6rq719 Black Max 21 160cc Rear Wheel Self propelled Drive Mower for sale online eBay

12AVB2RQ719 Black Max Walk Behind Mower 2020 Parts Lookup with Diagrams PartsTree

Blackmax 21 Inch Self Propelled Mower

Owigift Carburetor Carb Replaces for Black Max 12AVB2RQ719 12AVD6RQ719 961440007 96144000700 Walk Behind Lawn Mower with Honda Engine Patio Lawn Garden Amazon

MTD 12AVC2RQ719 2019 Drive

MTD 12AVC2RQ719 2019 Parts Diagram for Blade

Description

Product Name: 12avc2rq719 top
MTD 12AVC2RQ719 2019 Drive top, MTD 12AVC2RQ719 2019 Parts Diagram for Blade top, MTD 12AVC2RQ719 2019 .Quick Reference top, 12AVC2RQ719 Black Max Walk Behind Mower 2019 Parts Lookup with Diagrams PartsTree top, MTD 12AVC2RQ719 2019 Parts Diagram for Blade top, MTD 12AVC2RQ719 2019 Blade Shanks Lawn top, MTD 12AVC2RQ719 2019 Deck Assembly top, 12AVC2RQ719 Black Max Walk Behind Mower 2019 Parts Lookup with Diagrams PartsTree top, MTD 12AVC2RQ719 2019 Parts Diagram for Blade top, MTD 12AVC2RQ719 2019 Blade Shanks Lawn top, MTD 12AVC2RQ719 2019 Wheels top, MTD 12AVC2RQ719 2019 Parts Diagram for Blade top, Black Max 12AVC2RQ719 Black Max Walk Behind Mower 2019 Grassbag Assembly Parts Lookup with Diagrams PartsTree top, MTD 12AVC2RQ719 2019 Parts Diagram for Front Cover top, MTD 12AVC2RQ719 2019 Blade Shanks Lawn top, BlackMax Self Propelled Lawn Mower Model 12AVC2RQ719 MTD Parts top, MTD 12AVC2RQ719 2019 Cables top, BlackMax Self Propelled Lawn Mower Model 12AVC2RQ719 MTD Parts top, BlackMax Self Propelled Lawn Mower Model 12AVC2RQ719 MTD Parts top, MTD 12AVC2RQ719 2019 Blade Shanks Lawn top, MTD 12A K2M5883 RM410 2019 Parts Diagram for .Quick Reference top, Black Max 12AVC2RQ719 Black Max Walk Behind Mower 2019 Height Adjustment Knob Parts Lookup with Diagrams PartsTree top, BlackMax Walk Behind Mowers Partswarehouse top, MTD 12AVC2RQ719 2019 Parts Diagram for Blade top, Restored Black Max Rear Wheel Drive Self Propelled Gas Mower Refurbis JOE s Factory Outlet top, BlackMax Self Propelled Lawn Mower Model 12AVC2RQ719 MTD Parts top, BlackMax Self Propelled Lawn Mower Model 12AVC2RQ719 MTD Parts top, BlackMax Self Propelled Lawn Mower Model 12AVC2RQ719 top, Honda 12avd6rq719 Black Max 21 160cc Rear Wheel Self propelled Drive Mower for sale online eBay top, MTD 12AVC2RQ719 2019 Parts Diagram for Blade top, 12AVC6RQ719 2015 Black Max Self Propelled Walk Behind Mower Parts Free Repair Help AppliancePartsPros top, Honda 12avd6rq719 Black Max 21 160cc Rear Wheel Self propelled Drive Mower for sale online eBay top, 12AVB2RQ719 Black Max Walk Behind Mower 2020 Parts Lookup with Diagrams PartsTree top, Blackmax 21 Inch Self Propelled Mower top, Owigift Carburetor Carb Replaces for Black Max 12AVB2RQ719 12AVD6RQ719 961440007 96144000700 Walk Behind Lawn Mower with Honda Engine Patio Lawn Garden Amazon top.

12avc2rq719 top